
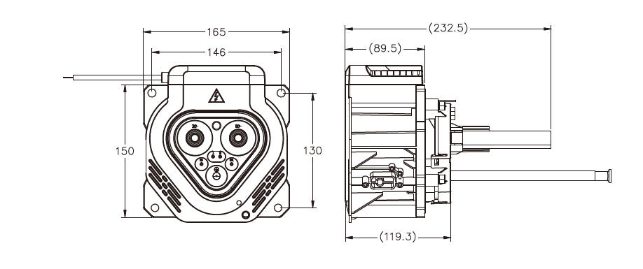
| Technische Daten: | Technical data | 技术参数 | |
Steckverbindersystem | Connector system | 金属插头系统 | ¢20mm |
| Bemessungsspannung | Rated voltage | 额定电压 | 1500VDC |
Bemessungsstrom | Rated current | 额定电流 | 1500A |
| Prufspannung | Test voltage | 测试电压 | 4kv(1min.) |
Umgebungstemperaturbereich | Ambient temperature range | 环境温度范围 | -30℃…+40℃ |
| Obere Grenztemperatur | Maximum temperature | 温度上限 | +150°C |
Schutzart,gesteckt | Protection rating (Connector Engaged) | 防护等级,插合状态 | IP44(moted) |
| ungesteckt | Touch protection rating | 触摸保护 | IP2X |
Kontaktwiderstand der Steckverbinder | Connector contact resistance | 连接器接触阻抗 | 0.3mΩ Max(DC) |
| Schutzklasse | Safety rating | 安全等级 | Ⅱ |
Kontaktmaterial | Terminalmaterial | 端子材料 | Copper Alloy |
| Isolationsmaterial | Insulation material | 绝缘材料 | PA66 |
Verriegelungssystem | Locking system | 锁紧系统 | Snap-in |
| Flammklasse | Flame class | 火焰等级 | UL-94-V0 |
Salznebelsprühtest,Scharfegrad5 | Level 5 severe salt spray corrosion test | 腐蚀试验等级 | IEC 60068-2-52 |
| Insertion/withdrawal force | 插拔力 | <100N |